Распродажа! Цены пополам! >>> sale6.zip
Продаем стол универсальный
с комплектом шинообрабатывающего
оборудования СШО (КВТ)
РТЛ-1000
Предназначены для защиты трехфазных асинхронных электродвигателей с короткозамкнутым ротором от перегрузок недопустимой продолжительности и от токов, возникающих при выпадении одной из фаз.Применяются в схемах управления электроприводами в цепях переменного напряжения до 660 В частоты 50 или 60 Гц, в цепях постоянного напряжения до 440 В. Номинальный ток контактов - 10 А.
Реле пригодны для работы в системах управления с применением микропроцессорной техники. Реле типов РТЛ-1000 и РТЛ-2000 могут крепиться непосредственно к пускателям серии ПМЛ или устанавливаться индивидуально с помощью клеммников КРЛ-104 (РТЛ-1000) или КРЛ-204 (РТЛ-2000).
Время срабатывания реле при трехполюсной работе и нагреве с холодного состояни я 6-кратным номинальным током несрабатывания при любом положении регулятора уставки и температуре окружающего воздуха 20°C находится в пределах 4.5...9 с для реле РТЛ-1000 и 4.5...12 с для реле РТЛ-2000.
Реле имеют: · три полюса; · температурный компенсатор; · регулятор тока несрабатывания; · 1 замыкающий и 1 размыкающий контакты; · ручной возврат; · переднее присоединение внешних проводников; · несменные нагревательные элементы; · ускоренное срабатывание при обрыве фазы.
Условия эксплуатации
Высота над уровнем моря до 2000м. Диапазон рабочих температур от -40 до +55°С.
Окружающая среда взрывобезопасная, не содержащая пыли в количестве, нарушающем работу реле, а
также агрессивных газов и паров в концентрациях, разрушающих металлы и изоляцию.
Вибрация мест крепления реле с частотой от 10 до 100Гц при ускорении не более 1g.
Рабочее положение на вертикальной плоскости крышкой вверх, регулятором тока несрабатывания вперед
(допускается отклонение от рабочего положения до 15° в любую сторону).
Технические характеристики
| Номинальное напряжение переменного тока, В | 660 | |
| Частота переменного тока, Гц | 50 (60) | |
| Время срабатывания при токе 1.2 Iном, мин | 20 | |
| Время ручного возврата, мин, не менее | 1.5 | |
| Время срабатывания при нагрузке 6-кратным Iном, с | РТЛ-1000 | 4.5…9.0 |
| РТЛ-2000 | 4.5…12.0 | |
| Термическая стойкость реле, с, при нагрузке 18-кратным Iном на токи | до 10А | 0.5 |
| свыше 10А | 1.0 | |
| Тип реле |
Диапазон регулирования номинального тока
несрабатывания, А
|
Мощность, потребляемая одним полюсом реле |
| Номинальный ток 25 А | ||
| РТЛ-1001 | 0.10…0.17 | 2.05 |
| РТЛ-1002 | 0.16…0.26 | 2.03 |
| РТЛ-1003 | 0.24…0.40 | 1.97 |
| РТЛ-1004 | 0.38…0.65 | 1.99 |
| РТЛ-1005 | 0.61…1.00 | 1.80 |
| РТЛ-1006 | 0.95…1.60 | 1.80 |
| РТЛ-1007 | 1.50…2.60 | 1.80 |
| РТЛ-1008 | 2.4…4.0 | 1.87 |
| РТЛ-1010 | 3.8…6.0 | 1.84 |
| РТЛ-1012 | 5.5…8.0 | 1.68 |
| РТЛ-1014 | 7.0…10.0 | 1.75 |
| РТЛ-1016 | 9.5…14.0 | 2.50 |
| РТЛ-1021 | 13…19 | 2.75 |
| РТЛ-1022 | 18…25 | 2.80 |
| Номинальный ток 80 А | ||
| РТЛ-2053 | 23…32 | 2.43 |
| РТЛ-2055 | 30…41 | 3.03 |
| РТЛ-2057 | 38…52 | 3.30 |
| РТЛ-2059 | 47…64 | 3.69 |
| РТЛ-2061 | 54…74 | 4.38 |
| РТЛ-2063 | 63…86 | 5.62 |

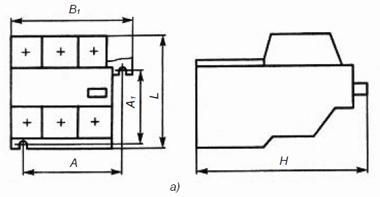
| Тип реле | Размеры, мм |
Масса,
кг
|
Рисунок |
Винт для
крепления
реле
|
Винт для
соединения
проводников
|
|||||
| A | A1 | B | B1 | H | L | |||||
| РТЛ-1000 | 35±0.5 | 50±0.5 | — | 44 | 90 | 61 | 0.160 | а | М4 | М4 |
| — | — | 44 | — | 63 | 0.125 | б | ||||
| РТЛ-2000 | 60±0.5 | 50±0.5 | — | 75 | 110 | 76.3 | 0.5 | а | М8 | |
| — | — | 53.5 | — | 116 | 73 | 0.350 | б | |||

