Распродажа! Цены пополам! >>> sale6.zip
Продаем стол универсальный
с комплектом шинообрабатывающего
оборудования СШО (КВТ)
Счетчики электроэнергии СЕ302-R31
ТУ 4228-055-22136119-2006
Трехфазный электросчетчик серии «СЕ».
Устанавливается на рейку ТН-35.
Измерение активной и реактивной электроэнергии в трехфазных цепях переменного тока непосредственно или через измерительные трансформаторы в одном или двух направлениях.
Нормативно-правовое обеспечение
- Соответствует ГОСТ Р 52320-2005.
- Соответствует ГОСТ Р 52322-2005.
- Соответствует ГОСТ Р 52323-2005.
- Соответствует ГОСТ Р 52425-2005.
- Сертифицирован и внесен в Государственный реестр средств измерений РФ.
Технические характеристики
| Показатели | Величины |
| Класс точности при измерении активной/реактивной энергии | 0,5S/0,5; 1/1 |
| Число тарифов | 1 |
| Частота измерительной сети, Гц | 50±2,5; 60±3 |
| Номинальное напряжение, В | 3*57,7/100; 2*100; 3*230/400 |
| Базовый (максимальный) ток, А | 5 (10); 5 (60); 5 (100); 10 (100) |
| Стартовый ток (чувствительность), А: - для электросчетчиков непосредственного включения, Iб |
0,004 0,001; 0,002 |
| Потребляемая мощность параллельной цепи, не более, В*А (Вт) | 9 (0,8) |
| Полная потребляемая мощность последовательной цепи, не более, В*А | 0,1 |
| Передаточное число импульсного телеметрического выхода, имп./кВт*ч | 450; 800; 4000; 8000 |
| Диапазон рабочих температур, °С | от минус 40 до +60 |
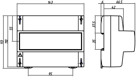
| Габаритные размеры, не более, мм | 143 х 113 х 72,5 |
| Масса, не более, кг | 1,0 |
Особенности электросчетчика
- Защита от недоучета и хищений электроэнергии.
- Световой индикатор работы.
- Два направления работы.
- Малое собственное энергопотребление.
- Наличие порта IrDA 1.0 и оптического интерфейса.
- Высокая чувствительность по току нагрузки.
- Устойчивость к климатическим, механическим и электромагнитным воздействиям.
Характеристики надежности
- Минимальная наработка на отказ — 160 000 часов.
- Межповерочный интервал — 16 лет.
- Средний срок службы — 30 лет.
- Гарантийный срок (срок хранения и срок эксплуатации суммарно) — 3 года с даты выпуска.
Габаритные размеры


